BEVEZETÉS

Az angol nyelvben a "hardware" szó vas- és fémárut jelent elsõdlegesen. Az angolszász országokban a "hardware store" olyan kereskedés, ahol szerszámokat, zárakat, evõeszközöket és egyéb fémtömegcikket árulnak, vagyis a mi fogalmaink szerint vas- és edénybolt. A "hardware", számítógépre

vonatkoztatva mindazokat a készülékeket, berendezéseket jelenti, amelyekbõl a számítógép összetevõdik. Vagyis a számítógép hardver az amit belõle látunk.


A SZÁMÍTÓGÉP TÖRTÉNETE



A számológép fejlõdése

Az 1600-as évek elején rohamosan fejlõdött a kereskedelem és a gazdaság, egyre sokasodtak a számítások, de fejlõdtek a termelésben használt gépek is. A mechanika csodálatos sikerei, szellemes eszközei szinte bódultságban tartották a kor tudósait és filozófusait. Immár pontos magyarázata lett a csillagok, bolygók mozgásának, "parányi" szerkezettel mérték az idõt. A mechanika mindenre képes és mindent megmagyaráz: valójában egész világunk egy nagy óraszerkezet. Ez az a kor, amelyben mindent - a világ egészét és minden részletét - mechanikai, óraszerkezeti modellre akartak visszavezetni.

Magától értetõdõ, hogy a számolásokhoz is szellemesebbnél szellemesebb szerkezeteket állítottak elõ. A csillagászati számításokhoz óriási mennyiségben kellett szorzásokat elvégezni. Szükségessé vált a számítások lassú és monoton munkájának gépesítése.

Leonardo da Vinci maga is szerkesztett számológépet. 1623 szeptemberében Wilhelm Schickard levélben értesítette barátját, Johannes Keplert, hogy sikerült fogaslécekbõl, kerekekbõl számítógépet készítenie. Sajnos ennek a képe csak vázlatosan maradt fenn. (A 30 éves háborúban elpusztult az eredeti gép.) Ezzel a géppel nemcsak összeadni és kivonni lehetett, hanem szorozni és osztani is. Naplier, egy zseniális skót bíró aki feltalálta a logaritmust szintén készített számológépet, aminek segítségével néhány másodperc alatt 10 jegyû számokat tudott összeszorozni.

Hasonló gépeket alkotott az angol Morland és a francia Pascal is. Ezekkel a gépekkel tízszer, százszor gyorsabban lehetett elvégezni az alapmûveleteket, mint a korábbi abakuszos módszerrel. Az alapmûveletek tömeges elvégzésére talán még ma is van olyan hely ahol használnak Pascal és Leibniz elgondolásaihoz hasonló gépeket. Ezek alaptípusát 1887-ben készítette el a svéd Odhner.

Az automaták fejlõdése

Mielõtt tovább lépnénk az idõben kanyarodjunk vissza az ókorba egy más területhez a termeléshez. Hiszen ennek semmi köze a számítások gépesítéséhez - mondhatná valaki. Várjunk az elhamarkodott ítélettel. Kövessük most nyomon a számológépek fejlõdése után az automata gépek fejlõdését.

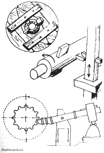
Valahol az évezredek távolában az ember olyat alkotott ami zsenialitását különösen jól bizonyította, a kereket. A kerék nem csak a közlekedést, hanem a termelõmunkát is segítette. A víz energiájának felhasználása nemcsak a malmok üzemelését tette lehetõvé, hanem a kovácsmûhelyek munkáját is megkönnyítette. Ehhez csak egy "apró" felfedezésre volt szükség: a bütyökre.

A forgó hengeren elhelyezett egy vagy több bütyök képes a kalapácsot vagy valami más - szakaszosan le-fel, jobbra-balra mûködõ - szerszámot mozgatni.

Minden szerszámhoz külön kerék kell? Ugyan minek! Hamar felismerték, hogy ha a kereket egyszerûbben kialakítható hengerrel helyettesítik, akkor az így több eszközt is tud mûködtetni. A XIII. századra már kifejlesztették és elterjesztették ezt az ún. bütykös tengelyt. Persze a bütykös tengely csak annyit tud, hogy igen vagy nem: ahol van bütyök ott "igen" ahol nincs ott "nem" parancsot ad az eszköznek. Az "igen"-re például felemelkedik a kalapács, a "nem"-re pedig visszakerül az eredeti helyére, és ott is marad.

A bütyköstengely sokat segített, de voltak olyan feladatok (pl. a harangozás) amelynek megoldásához annyi bütyökre lett volna szükség. amit a tengelyen elhelyezni lehetetlenség. A sok utasítás miatt a tengelyt ún. vezérlõdobbá kellett átalakítani. Ez egy nagy henger amelyre bütykök százait lehet elhelyezni.

Egy vezérlõdob "beprogramozása"(elkészítése) után már ment minden automatikusan (a görög automatos önmagától mûködõt jelent.) . Az automata tehát több, mint egy mechanizmus: olyan szerkezet, amely meghatározott programot hajt végre, emberi beavatkozás nélkül.

Megszámlálhatatlan azoknak a berendezéseknek a száma amelyek "dobbal" vezérelt automataként mûködtek: szökõkutak, toronyórák, játékok, sakkgépek vagy éppen a verkli. Ma ha kicsit eltér" kivitelben is, több ilyen berendezés van környezetünkben (motorszelepek, kakukkos óra, idõkapcsolók, játékok, stb.).

De mi van akkor, ha már annyi mozdulatelem van, hogy vezérlésükre óriási dob kellene. Ha például egy körülfordulásra ezer igen-nem váltásra van szükség, akkor kb. 3 m-nél nagyobb átmérõjû hengert kell készíteni. Márpedig még ennél is több váltást igényel egy olyan folyamat mint például a szövés. A szövésnél a hosszanti láncfonalak süllyesztésével és emelésével lehet a mintákat kialakítani. Ezekbõl a láncfonalakból több ezer is lehet. Ezzel a feladattal a henger már nem tudott megbirkózni. Egy Vaucanson nevû úr ugyan megpróbálkozott de a vezérlõhengere nagyobbra sikeredett, mint maga a szövõgép. Gyakorlatilag használhatatlan volt.

A megoldás - ma már - kézenfekvõ. A francia Bouchon (1725) és Falcon (1728) rájött, hogy nem hengerre van szükség, csak annak a felületére. Fejtsük le a felületet és készítsünk negatív bütyköket. Falcon kis fa, majd kartonlemezeket készített, amelyekre az igennek megfelel" lyukakat fúrt, megalkotva az elsõ lyukkártyát, és ezzel vezérelte a szövõszéket. 1805-ben ezt a lyukkártya elvet tökéletesítette Joseph-Marie Jacquard (1752-1834): lyukasztott kartonlapokból elõállított végtelenített szalaggal (lyukszalaggal) már elvileg tetszés szerinti minta gyártására tette a gépet alkalmassá.

Ez az újítás mély hatással volt a számításokkal foglalkozók körére. Azt az utat keresték, hogyan lehet a bonyolultabb mûveletek algoritmusát gépesíteni. Ha van szabálya annak, hogyan kell egymás utáni lépésekkel valamilyen kezdeti számsorból egy eredményszámra jutni, akkor miért ne lehetne a szövõgéphez hasonlóan magát az algoritmus végrehajtását is mechanizmusokkal, kártyákkal irányítani?

Charles Babbage angol matematikus 1828-ban elkészítette az ún. differenciál gépét, amely matematikai táblázatok kiszámítására szolgált, de a modellt követõen a nagygép elõállítására nem kapott anyagi támogatást. Ennek hiányában azon gondolkodott, hogyan lehetne általánosabb célú, "univerzális" számológépet készíteni? 1883-ban született meg az analitikus gép ötlete, amely lyukkártyán megadott utasítások sorozatának megfelelõen végezné számításait, vagyis: programozott gép lenne. A lyukkártyára a számítások gépesítésében Õ gondolt elõször, és ez egy teljesen új elvet jelentett. Ezért a felismerésért tekintjük Babbage-t a számítógép egyik szülõatyjának. A számítási algoritmusok gépesítésére ekkor már meg volt az igény, de a kor technológiája nem tette lehetõvé a megvalósítását. Babbage gépe csak 100 év múlva készült el.


A kezdet

100 évre azért volt szükség Babbage gépének megvalósításához, mert még a gyakorlatban nem állt rendelkezésre olyan eszköz amivel ezt a gépet megbízhatóan és nem túlzottan drágán el tudták volna készíteni. Ennek az eszköznek a neve elektronikus kapcsoló elem. A mechanikus kapcsolókkal ezt a bonyolult feladatot megbízhatóan, gyorsan nem lehetett megvalósítani. A bütyköstengely, vezérlõdob, a lyukkártya után újabb kapcsoló elemre volt szükség.

Ez volt kezdetben a jelfogó, ahol a kapcsolásokat már az elektromosság végezte. Ezek gyorsabban és megbízhatóbban mûködtek. Ilyen jelfogóval készítette el 1939-1941 között Howard Aiken, a Harward Egyetem professzora az elsõ, a Babbage elvén mûködõ számítógépet. Neve Mark I. A gép 760 ezer elemet és 800 km-nél több vezetéket tartalmazott. Két szám összeadásához 1/3 másodpercre volt szükség. A gépet gyártó cég neve jól ismert: IBM.

Az emberiség megízlelte a számítás gépesítésének lehetõségeit, és ez fokozta étvágyát. Hogyan lehetne gyorsabb gépeket készíteni? A megoldás: gyorsabb kapcsoló elemeket kell készíteni.

elsõ generáció

Az újabb kapcsoló elem neve elektroncsõ. Az elektroncsõ egy olyan üvegbúra amelyben légritkított tér van. Ennek a térnek két pontja között képesek töltések vándorolni, és ezt a töltés vándorlást képes - egy, a csõben elhelyezett rács - akadályozni, illetve teljesen elzárni, a rácsra kapcsolt feszültség segítségével. Így a rács segítségével lehet kapcsolni az elektroncsõre adott jelet.

Az elsõ elektroncsöves számítógép az EINAC volt. 18000 elektroncsõ, 6000 kapcsoló, 1500 jelfogó, volt a gépben. "Szédületes" sebességével 5000 összeadást tudott elvégezni másodpercenként. 500-szor volt gyorsabb a Mark I-nél. Nagy büszkeséggel közölték alkotói, hogy volt már olyan 12 órás mûszak is, amelyben több órán keresztül hiba nélkül mûködött a gép. Programozása nagyon nehézkes volt. A régebbi telefonközpontokhoz hasonlóan huzalozásokkal, dugaszol sokkal kellet kialakítani a programot. Azt mesélik, hogy mikor bekapcsolták a számítógépet, a kerületben halványabban égtek a lámpák. Csekély 140000 W-ot fogyasztott, 30 m hosszú, 3 m magas és 1 m széles volt. Súlya mindössze 30000 kg.

Egy véletlen találkozás új irány adott a számítógépek fejlõdésének. Neumann János 1944-ben találkozott Goldstine- nal, aki az EINAC építési munkáit irányította, és aki elkezdett mesélni neki az új számítógéprõl. Neumann rövidesen megtekintette az építési munkát. Rájött arra, hogy a számítások algoritmusát, az ún. programot ugyanúgy lehet tárolni a gépben, mint magukat az adatokat. A gép megtanítható arra, hogy ezeket megkülönböztesse egymástól. Neumann, Goldstine és Burks 1946-ban publikálták az elektronikus berendezések logikai szerkezetérõl szóló elképzeléseiket .

Ezen elképzelések alapján a számítógépek mind a mai napig a kettes számrendszerbeli számjegyekkel ún. Binárisan dolgoznak. Ezek a számjegyek a 0 és az 1. Ez a számítógépben, ha van jel egy vezetékben akkor az például 1-et, ha nincs 0- t jelent. Egy ilyen 0-1 vagy jel-jelhiány számjegynek a neve bit. 8 számjegy vagy bit értéke a tízes számrendszerben 256 (11111111 = 256). Ez a 256 féle variáció már lehetõséget ad, hogy minden írásjel kapjon egy saját variációt. Ezt a nyolc bitet, amivel lekódolhatunk minden írásjelet byte-nak nevezik. Azért, hogy minden számítógép egységesen értelmezze a bitkombinációkat(ugyanaz a szám ugyanazt a betût - karaktert - jelentse minden gépen), kidolgozták a kódtáblázatokat. A legelterjedtebb Az ASCII kódtáblázat.

E szerint a táblázat szerint egy egység úgy küld egy "a" betût a hozzá tartozó 8 darab vezetékeken egy másik egységnek, hogy az elsõ és a hatodik vezetékében küld jelet a többiben nem (00100001 = 65, ez a szám minden számítógép számára az "a" betût jelenti). A számítógépben levõ jelszállító vezetékköteg neve (adat-)busz.

Ezután a kis kitérõ után folytassuk a számítógép történetét. Az elõbb ismertetett elgondolások alapján a Pennsylvania Egyetemen elkészítették az EDVAC-ot. 1949-ben a Cambridge Egyetemen üzembe helyezték az EDSAC-ot. Az utóbbi gép egy másodperc alatt 14000 összeadást tudott elvégezni.

A számítógépek tárolókapacitását növelni kellett. Az ekkor már ismert mágneses információtárolást (magnetofont) kézenfekvõnek tûnt felhasználni adatok, illetve programok tárolására. Kezdetben mágnesdobot használtak adatok rögzítésére. Majd 1951-tõl mágnesszalagos egységet kapcsoltak a gépekhez. Megjelent az elsõ eladásra készített számítógép 1951-ben az UNIVAC. De ekkor még mindegyik számítógép csodának számított.

Ezek a számítógépek voltak az ún. elsõ generációs számítógépek . Legfontosabb áramköri elemei az elektroncsövek voltak. E gépek terjedelmesek, megbízhatatlanok, lassúak voltak, sok áramot vettek fel. Az adatokat lyukszalagról vagy lyukkártyáról kapták.

második generáció

A mûködõ számítógépek nem elégítették ki a kor igényeit. Megbízhatóbb, kisebb fogyasztású, gyorsabb számítógépekre volt szükség. 1947-ben a Bell laboratóriumban három amerikai kutató, W. H. Brattain, J Barteen és W. Shockley feltalálta a tranzisztort, a számítástechnika új kapcsoló elemét.

A tranzisztor mûködési elve az elektroncsõhöz hasonló, csak a töltések légritkított tér helyett egy kristályban vándorolnak. A töltések vándorlását pedig, az egyik pontról a másikra, rács helyett, a két pont között elhelyezkedõ ellentétes töltésû kristályanyag, a rákapcsolt feszültség hatására akadályozza, vagy akár teljesen elzárja.

A tranzisztorok és a ferritgyûrûs tér felhasználásával készítették el az ún. második generációs számítógépeket, ahol az áramköröket már nyomtatott áramköri lapokra szerelték. A ferritgyûrûs tér a számjegyek tárolására szolgált. Úgy mûködött, hogy minden bit (jel/jelhiány) értékét egy elektromágnes õrizte. Ha felmágnesezték a gyûrût, akkor az 1-es számjegyet jelentett, ha pedig lemágnesezték, akkor 0- t. 8 kis mágnes segítségével lehetett egy ASCII kód szerinti írásjelet (byte-ot) tárolni. Képzeljük csak el hány kis mágnes gyûrûre volt szükség ahhoz, hogy egy levél írásjeleit tárolni tudjuk a számítógépben.

Ezeknek a gépeknek sebességük, tároló kapacitásuk ugyan nagyságrenddel nagyobb volt elõdeiknél, és már nem volt szükség arra sem, hogy a programozó ismerje a gép bináris számrendszerben megadott nyelvét, de az idõközben megnövekedett követelményeket már nem elégítették ki.

harmadik generáció

Kezdetben két majd egyre több és több tranzisztort helyeztek el egy-egy tokban. Megjelentek az elsõ integrált áramkörök. Azt az alkatrészt ami több kapcsoló elemet és azok összekötéseit is tartalmazza egy tokban, integrált áramkörnek vagy IC-nek nevezzük. Az IC-kbõl és IC-s memóriából felépített számítógépek alkotják az ún. harmadik generációs számítógépeket.

Az IC-s memória típusok, a RAM(Random Access Memory) és a ROM(Read Only Memory). A RAM írható és olvasható tár, a ROM-ból csak olvasni tud a számítógép írni nem. A tár nagyságának mértékegysége a Kbyte. 1 Kbyte egyenlõ 1024 byte-tal (Azért 1024-gyel mert 2 a tizediken ennyi. Ne feledjük a számítógép a kettes számrenszerben mûködik).Egy byte pedig 8 bit.

Az INTEL 1971-ben kifejlesztette az elsõ mikroprocesszort: ez egy olyan integrált áramkör, ami a számítógép összes számítási mûveletét egymaga képes elvégezni.. Ez a mikroprocesszor egyetlen 0.5 cm-nél kisebb oldalú kristály lapon helyezkedett el, és több, mint ezer kapcsoló elemet (tranzisztort) tartalmazott.

Az integrált áramkörök alkalmazása a számítógépekben újabb sebesség növekedéssel és a méretek, valamint a fogyasztás csökkenésével járt. Megkezdõdött a kis számítógépek gyártása. Ilyen 3 generációs számítógépek az ún. home computerek, az otthon használható számítógépek (pl. IBM PC, Sinclair vagy Commodore típusok).

negyedik, ötödik generáció

Ma már 1 négyzetcentiméternyi kristályon több százezer kapcsoló elemet is el tudnak helyezni. Megjelentek a több processzoros számítógépek, amelyek egyszerre több programot is képesek végrehajtani. Ezek már a negyedik ötödik generációs gépek.